
上周一条快讯有位朋友留言,他说他十分关注马自达的压燃式发动机何时引进,按消息称新发动机有可能在今年年底随下一个年度版本的马自达3昂克赛拉上市。而马自达所说的“隐退”两年究竟是不是在潜心 研发什么“黑科技”?这个值得我们去期待!今天的快讯内容同样有关于马自达在专利申请方面的消息,究竟是什么我们一探究竟。




东风标致2008基于PSA集团的CMP平台打造,新车拥有精巧个性的外观及内饰设计,自亮相以来就备受大家的关注。狮爪式前大灯设计与獠牙般的日间行车灯相搭配,营造出一种极致的视觉冲击感。车身侧面,其独特的D柱造型结合上扬的腰线设计,让新车颇为动感。新车尺寸方面的表现,其长宽高分别为4312mm/1785mm/1545mm,轴距达2612mm。在内饰设计风格上,东风标致2008延续了此前标致车型一贯的优秀设计,液晶仪表盘、10英寸中央液晶屏,以及与飞机操纵杆相似的电子档把都带出了浓烈的科技感。新车依然配备法系车让人熟知的前麦弗逊式+后扭力梁非独立式悬挂,而动力方面则搭载一台1.2T三缸发动机,最大功率136马力,峰值扭矩230牛·米,匹配6速双离合变速箱。同时上市的还有东风标致e-2008,电机最大功率163马力,峰值扭矩260牛·米,NEDC纯电续航里程为430km。




蔚来汽车于4月19日正式交付首辆2020款蔚来ES8车型。新车最大的变化是针对电机及电池组进行了调整,其100kWh版本的NEDC续航里程已达580km。同时,2020款蔚来ES8还搭载了全新人工智能系统NOMI Mate 2.0,并将推送最新的NIO OS 2.6.0系统。2020款ES8全系车型的NEDC续航里程数据有了明显提升,可以说是弥补了老款车型在续航里程方面的痛点。老款车型支持付费换装100kWh电池组,据蔚来方面透露,从80kWh升级到100kWh的费用仅需10800元,相比大幅提升的续航能力来说,教授认为这是极具诚意且非常划算的。2020款车型在售价方面相较老款车型有所提高,其中基准版六座车型补贴前售价为47.6-53.4万元,七座车型补贴前售价为46.8-52.6万元。



日前,大众官方发布了新款Tiguan(国内途观)的预告图,该车有望于今年夏天全球首发并于年底在海外市场率先发售。从预告图中可以看出,新车采用了全新设计的LED大灯组,整体前进气格栅造型与第八代高尔夫有着一定的相似度,可看出其浓烈的家族化设计特点。相比现款车型,新车的前脸设计更富有层次感。在其它更新方面,官方宣称该车将配备可OTA升级的信息娱乐系统,同时提供车载Wi-Fi连接。同样考虑家族化特征,其内饰设计可往全新一代高尔夫的方向进行联想。现款大众Tiguan已上市多年,对比那些新上市的SUV车型,Tiguan的外观设计也稍显平淡。作为大众一款极为重要的产品,只有带给消费者更多的新鲜感,才能更好地巩固其江湖地位。



丰田于去年上海车展亮相了在华推进电气化的首款战略车型,C-HR EV/奕泽 E进擎以及雷克萨斯UX300e将在今年4月下旬正式上市销售。C-HR EV/奕泽 E进擎搭载了54.3kWh的电池包,受限于电池包大小,其在NEDC工况下续航里程为400公里但能耗水平已达同级别领先水平。C-HR/奕泽及雷克萨斯UX均源于TNGA架构打造,在此基础上利用了丰田多年在双擎(HEV)车型的技术积累,开发出能令消费者放心且极为高效的纯电动版本车型。丰田在2017年曾提出了“2030年电动化车型销售550万台以上”的目标,而去年则把该目标提前到了2025年。国内市场方面,丰田将以C-HR EV/奕泽 E进擎为首款导入车型,计划到2025年在中国推出10款纯电动车型。




教授从上汽通用别克方面获悉,全新别克威朗GS将于4月30日于线上举行上市发布会。新车在外观造型方面十分抓人眼球,采用了“三维展翼立体美学”的设计理念,其前进气格栅搭配飞翼式的镀铬装饰条向两边大灯处延申,这大大提升了该车的视觉宽度并营造更为浓烈的运动感。GS专属前包围的加入也令该车呈现出更具侵略性的视觉效果。新车在外观及内设细节部分同样有各种运动化标识作为点缀,能很好地展现其作为一款运动车型的身份。动力方面,新车搭载了第八代Ecotec 1.3T直喷涡轮增压发动机,最大功率为121kW,峰值扭矩240牛·米,匹配全新CVT智能无级变速箱。随着更多GS版本车型的推出,能为别克的产品矩阵注入更多激情与活力,兼具运动与个性的别克GS运动子品牌能与别克Avenir高端子品牌一起,为消费者提供更为丰富的车型选择。




全新一代保时捷911自2018年洛杉矶车展发布以来,已相继发布了911 Carrera、Turbo等系列产品。日前,外媒前方拍摄记者就拍摄到一组全新911 GT3版本车型的低伪装谍照。与此前拍摄到的测试车谍照相比,本次曝光全新911 GT3的谍照已经能清晰看到其部分细节。新车在空气动力方面进行了重新考虑,前进气格栅造型被重新设计且开口更为夸张,前备箱盖加入的两个导风槽让新车看上去更为战斗。车尾部分其伪装覆盖仍然较多,但能看出新车中置双出的排气设计,而夸张的尾翼及后扩散器等尺寸都非常大,相信能为新车提供更强大的下压力。动力方面,全新911 GT3或将搭载4.0L自然吸气水平对置六缸发动机,根据外媒预测,新车的最大功率或将超过550马力。有关该车的具体发布时间目前还没有准确消息,教授将会为大家带来持续的关注。




Polestar极星继Polestar 1 GT轿跑和Polestar 2 纯电动紧凑型轿车推出后,该品牌将考虑推出一款全新的纯电动旗舰SUV车型,而按照惯例,该车将被命名为Polestar 3。根据外媒方面的报道,新车将于2022年正式亮相,与第三代沃尔沃XC90共享全新的SPA 2平台。据了解,SPA 2平台基于SPA 1平台进行改进,未来主要打造沃尔沃及极星旗下的中大型产品,而小型产品则基于CMA架构打造。新车设计方面,极星Polestar 3将进一步摆脱与沃尔沃有关的元素,继而在设计方面完全确立极星Polestar品牌的家族化设计。从效果图中来看,极星Polestar 3采用了轿跑化车身设计,而其进气格栅的造型则与Polestar 2如出一辙,大灯在整体形状保留传统设计外,采用了前大灯与日间行车灯分离的设计,同样颇有个性。动力及续航里程方面,新车极有可能会采用更强悍的双电机设计,参数水平比目前的Polestar 2更为强悍,在续航里程的表现上则有可能是传闻称的500km。新车未来的竞争对手将锁定为特斯拉Model X、奥迪e-tron等。与Polestar 3更多的相关信息,请关注教授为大家带来更多的报道。




如今的智能手机已经成为了人类的一大“体外器官”,同时,由于我们已习惯智能手机的操作方式,其它与手机操作方式相差巨大的电子产品都会配贴上“不好用”的标签,对于车机方面的要求也一样。奥迪A4L本次的中期改款备受关注,而新车还搭载了全新的安卓版MMI多媒体交互系统,搭载了高通骁龙820A芯片。奥迪是首款引入Android 4.0系统的豪华汽车品牌,该MMI系统支持Android 9.0,与此前Android Auto系统相比,不仅能实现原有功能,还能运行更多更丰富的第三方应用软件,与手机更好地实现同步衔接。目前,高通骁龙汽车平台已与全球近30家车企进行合作,未来上市的主流新车都能见到它的身影。教授看来,目前运行成熟的苹果Carplay系统依然是未来安卓的最大对手,苹果与安卓的“相爱相杀”也将延续到汽车领域。





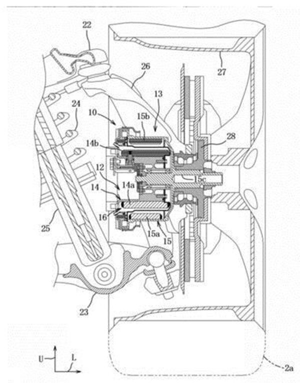
日前,一份马自达新专利技术信息图在网络上流传。从图片展示的专利信息来看,马自达申请的专利为前轮电容驱动轮毂电机混合动力系统。该轮毂电机由电容器提供能量,而整套系统则由一个小型锂电池作为动力来源。相较于传统的轮毂电机,电容驱动轮毂电机能实现更为紧凑和轻巧的结构,同时避免了轮毂电机技术带来的簧下质量过高并影响操控性的缺点,能极大提高轮毂电机技术的实用性。目前,马自达并没有透露将该技术具体应用在未来的哪款车型上,但前轴轮毂电机的加入,极有可能是一款基于后驱平台的车型。相信该车若在未来亮相,不仅能让马自达车迷热血沸腾,更是一个全球车迷共同的关注点。