听闻年检标准要改,很多人都坐不住了,是又增加哪些“伤车”的项目,还是折腾出了什么新花样?
然而新标准检测项目有减无增,新标也就是GB38900-2020 《机动车安全技术检验项目和方法》强制性国家标准,将于明年1月1日正式实施,现在谈年检好像有点早,但恰好是2014年实施“新车6年免检”这个点后,首批免检车即将面临年检的时间。

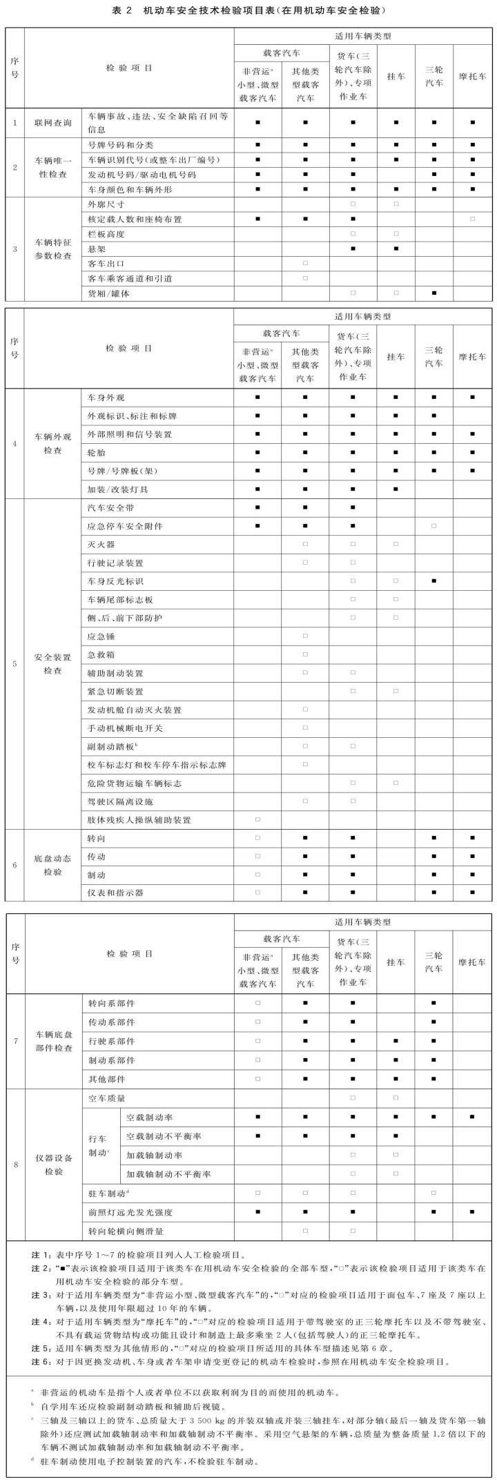
作为一个对年检一无所知的小白,我最关心的是年检到底要干什么?于是我去网上找了大量的资料,才发现,所有的年检项目都贴在一张表格上,这张表格叫“机动车安全技术检验项目表”。

乍一看,53项检测让人倒吸一口凉气,项目之多堪比没有中间商赚差价的二手车平台。但当你把注意力集中到非营运小型、微型载客汽车上,会发现必检项目只有17项,其余11项为部分车型检测,也就是7座或7座以上以及车龄超10年的车型。
17个必检项目,主要是联网信息查询、硬件信息核对外加性能检查,只要不改装年检也没啥特别折腾的地方。时隔6年,年检标准再次更新,新标相比之前有哪些大的变化?

以往的年检有两套检验标准,分别是安全技术检验和综合性能检测,可以这么理解,前者是静态检测后者为动态监测,一般家用车只要没改装,基本都可以通过安全技术检验,但综合性能检测,也就说动态检测,它所涵盖的项目非常多,比如动力性、制动、排放、灯光甚至油耗。

一般年检都倒在汽车综合性能检测上,新标GB38900-2020 《机动车安全技术检验项目和方法》将之前的两个检测项目合二为一,这就意味着年检流程不用分两步走,实现了“一次检测、一次上线、一次收费”的目标。

与之前的标准相比,新年检标准主要项目并未改变,但新标针对年检内容做了一定修改,比如文章开头那张表格,第一个项目联网查询中增加了召回信息,也就是如果有召回信息,会提醒车辆所有者及时召回,但不清楚是否会因此影响年检。

外廓尺寸检查更加严格,专用的自动检测设备所测量的数据和照片不可被人工修改,这等于堵住了改装车过年检的一个漏洞。

调整幅度最大的是制动检测,新的标准取消了阻滞率检验要求,阻滞率是指挂空挡检测左右两侧车轮的运转阻力。同时采用电子控制装置的汽车,取消驻车制动检验,意思就是配备电子手刹的车不用检验驻车制动。

值得留意的是,新标准取消了不少原来比较令人困惑的项目,比如悬架性能。国标所指的悬架性能不是肉眼观察弹簧是否完好减震器有无漏油,而是真刀实枪上台架做振动测试。

之前国标对悬架性能要求还挺高,不但要求悬架对振动吸收率要达到40%以上,而且左右悬架之间的吸收率之差不大于15%。悬架性能检验无形中提高了用车成本,因为要满足检验标准,最好的办法是两边悬架一起换。

年检中的灯光测试要求也比较多,之前的标准明确规定了远近光光束强度和水平偏移量。新的国标中取消了前大灯偏移检验要求,这个要求显然存在不合理的地方,虽然因为炫目问题会将左侧大灯的配光角度降低,但影响驾驶安全的主要是灯光亮度分配。

动力性是年检中必不可少的项目,这个项目因为要测发动机功率,因此柴油车全油门测试,汽油车转速要达到4000rpm。年检对不同类型的车动力性要求不同,货车满载时速不得小于70KM/H,汽车要满足比功率要求。新标准取消对动力性检验,首先汽车的比功率要求很低,是辆车都能过,其次测试方法似乎并不适合自动挡。

如果没有体验过年检,很多人都不知道原来年检还要测喇叭声级,方法是这样的,距离车头长2米离地面高1.2米的位置,放置检测设备,连续按3秒喇叭,声压要达到90dB-115dB。这个检验项目看似合理,但对家用车来说又不是那么必要,所以新的标准取消了喇叭声级检验。
另一个取消的检验项目是车速表误差,事实上大部分车的表显速度与实际速度有一定误差,但市面上的车型车速表误差都非常小,而且据我的观察,车速表误差在不同配置车型上有一定差别,比如高配大轮毂误差小,低配小轮毂误差大,所以检验车速表误差的实际意义并不大。

以往综合性能测试中,轻型商用车、乘用车和整备质量3.5吨以上车型都有相应的燃料经济性要求,在新的标准中,燃料经济性这一项也被删除了。从删除的检验项目看,几乎都与车主个人驾驶或维护无关,要满足这些要求耗费的成本非常高,比如油耗增加,谁知道问题出在发动机还是变速箱身上?总不可能因为油耗高不能满足年检,而大修甚至更换动力总成吧!

相比之下,新的检验标准静态部分变化不多,主要是修改和补充了一些内容,但综合性能检测删除了不少意义不大的项目,而事关安全环保的项目维持不变,需要特别说明的是,虽然新标准取消了动力性检验,但排放测试仍然需要发动机维持高转速,至于大家所说的高转速伤车,这点我们持保留意见。最后,希望明年1月1日新标准实施后,年检所耗费的时间和成本会降低。